Free Access
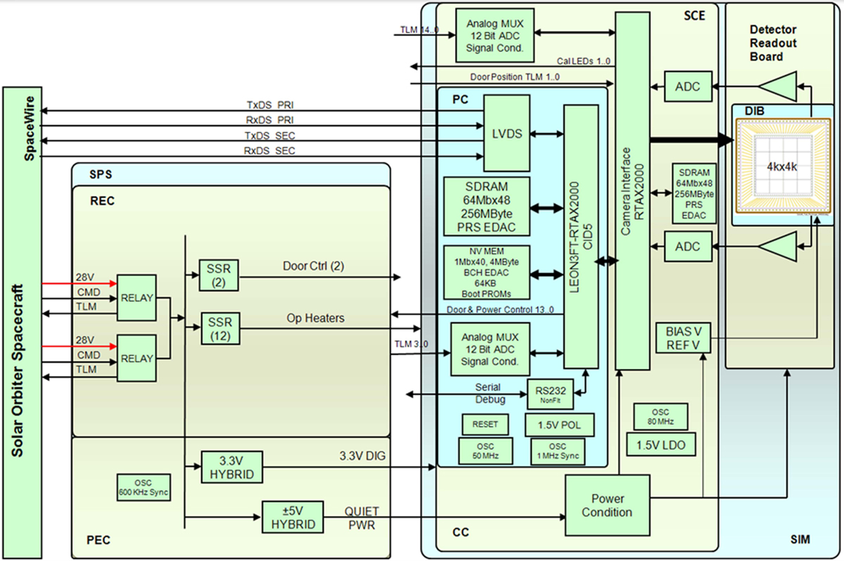
Fig. 15.
SoloHI electrical block diagram. The SPS contains two cards – the PEC and the REC. The SCE contains two cards – the CC and the PC.
Current usage metrics show cumulative count of Article Views (full-text article views including HTML views, PDF and ePub downloads, according to the available data) and Abstracts Views on Vision4Press platform.
Data correspond to usage on the plateform after 2015. The current usage metrics is available 48-96 hours after online publication and is updated daily on week days.
Initial download of the metrics may take a while.