Free Access
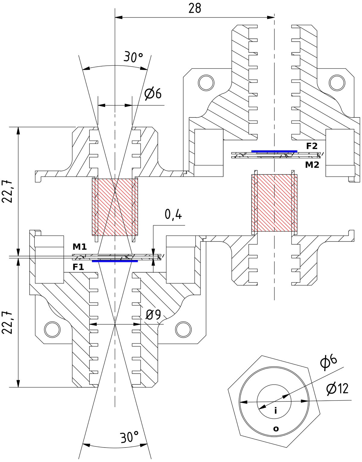
Fig. 15.

Horizontal cut of the EPT sensor with distances in mm. Red is the magnetic field perpendicular to the drawing, blue indicates where the 5 μm polyimide layer is located. The detectors are named M1, F1, M2, and F2 (for magnet and foil) and their inner and outer segments are denoted by i and o, respectively: r.g. M2i.
Current usage metrics show cumulative count of Article Views (full-text article views including HTML views, PDF and ePub downloads, according to the available data) and Abstracts Views on Vision4Press platform.
Data correspond to usage on the plateform after 2015. The current usage metrics is available 48-96 hours after online publication and is updated daily on week days.
Initial download of the metrics may take a while.